组合式变压器(美式箱变)
组合式变压器(组合式变电站、美式箱变)一、产品简介ZGS组合式变压器是一款国产化美式箱变。该产品作为电缆化配电网中重要供电单元,集高压控制,保护,变电,以及配电设备于一体的成套组合式预装产品,广泛应用于城乡配电网之中。
所属分类:
产品中心
组合式变电站(美式箱变)
关键词:
变压器
电压
额定
高压
美式箱变
组合式预装变压器
服务热线:
组合式变压器(美式箱变)
详情介绍
组合式变压器(组合式变电站、美式箱变)
一、产品简介
ZGS组合式变压器是一款国产化美式箱变。该产品作为电缆化配电网中重要供电单元,集高压控制,保护,变电,以及配电设备于一体的成套组合式预装产品,广泛应用于城乡配电网之中。
该产品将高压负荷开关,高压熔断器置于变压器油中,具有与变压器器身共箱或分箱两种结构形式。油箱采用全密封结构,配有油温表、油位表、压力表、压力释放阀、放油阀等元件以监测变压器运行状况。该产品分为环网型、终端型及双电源供电方式。根据低压馈出要求的复杂程度,我公司组合式变电站产品分为标准型、加强型和综合型三种结构形式,做到使用户和设计单位在选型时、更灵活、更经济。
二、使用环境条件
- 海拔高度:不超过2000m;
- 环境温度:最高气温+40℃;
最低气温-30℃;
最高日平均气温+30℃,
最高年平均气温+20℃; - 相对湿度:日平均值不大于95%;月平均值不大于90%;
- 地面倾斜度:不超过3度;
- 地震强度:地震水平加速度不大于0.4m/s²
地震垂直加速度不大于0.2m/s² - 户外风速:不超过35m/s;
- 安装环境:周围空气不受腐蚀性,可燃性气体等明显污染,安装地点无剧烈震动;
订购本产品超出上述条件规定时,可与本公司相关技术人员进行协商。
▬▬▬可协商供应商在特殊环境使用的产品
三、型号含义

四、主要技术参数
1、损耗水平
表1 10kV、11系列30~2500kVA双绕组无励磁调压油浸式变压器性能参数
| 额定容量 | 电压组合Kv | 联结组标号 | 空载损耗 | 负载损耗 | 空载电流 | 短路阻抗 | |
| 高压 | 低压 | ||||||
| 30 |
6 6.3 10 10.5 11 |
0.4 0.69 |
Yyn0 Dyn11 Yzn11 |
100 | 630/ 600 | 1.5 | 4 |
| 50 | 130 | 910/ 870 | 1.3 | ||||
| 80 | 180 | 1480/1430 | 1.2 | ||||
| 100 | 200 | 1780/1700 | 1.1 | ||||
| 125 | 240 | 2130/2040 | 1.1 | ||||
| 160 | 280 | 2590/2480 | 1.0 | ||||
| 200 | 340 | 3070/2940 | 1.0 | ||||
| 250 | 400 | 3600/3450 | 0.9 | ||||
| 315 | 480 | 4310/4130 | 0.9 | ||||
| 400 | 570 | 5090/4870 | 0.8 | ||||
| 500 | 680 | 6090/5780 | 0.8 | ||||
| 630 | 810 | 7010 | 0.6 | 4.5 | |||
| 800 | 980 | 8480 | 0.6 | ||||
| 1000 | 1150 | 11450 | 0.6 | ||||
| 1250 | 1360 | 13360 | 0.5 | ||||
| 1600 | 1640 | 16140 | 0.5 | ||||
| 2000 | 1940 | 20240 | 0.4 | 5 | |||
| 2500 | 2290 | 23490 | 0.4 | ||||
表2 10kV、13系列30~2500kVA双绕组无励磁调压油浸式变压器性能参数
| 额定容量 | 电压组合Kv | 联结组标号 | 空载损耗 | 负载损耗 | 空载电流 | 短路阻抗 | |
| 高压 | 低压 | ||||||
| 30 |
6 6.3 10 10.5 11 |
0.4 0.69 |
Yyn0 Dyn11 Yzn11 |
80 | 630/ 600 | 1.5 | 4 |
| 50 | 100 | 910/ 870 | 1.3 | ||||
| 80 | 130 | 1310/1250 | 1.2 | ||||
| 100 | 150 | 1580/1500 | 1.1 | ||||
| 125 | 170 | 1890/1800 | 1.1 | ||||
| 160 | 200 | 2310/2200 | 1.0 | ||||
| 200 | 240 | 2730/2600 | 1.0 | ||||
| 250 | 290 | 3200/3050 | 0.9 | ||||
| 315 | 340 | 3830/3650 | 0.9 | ||||
| 400 | 410 | 4520/4300 | 0.8 | ||||
| 500 | 480 | 5410/5150 | 0.8 | ||||
| 630 | 570 | 6200 | 0.6 | 4.5 | |||
| 800 | 700 | 7500 | 0.6 | ||||
| 1000 | 830 | 10300 | 0.6 | ||||
| 1250 | 970 | 12000 | 0.5 | ||||
| 1600 | 1170 | 14500 | 0.5 | ||||
| 2000 | 1550 | 18300 | 0.4 | 5 | |||
| 2500 | 1830 | 21200 | 0.4 | ||||
表4 10kV、20系列30~2500kVA双绕组无励磁调压油浸式变压器性能参数
| 额定容量 | 电压组合Kv | 联结组标号 | 空载损耗 | 负载损耗 | 空载电流 | 短路阻抗 | |
| 高压 | 低压 | ||||||
| 30 |
6 6.3 10 10.5 11 |
0.4 0.69 |
Yyn0 Dyn11 Yzn11 |
70 | 505/480 | 1.8 | 4 |
| 50 | 90 | 730/695 | 1.6 | ||||
| 63 | 100 | 870/830 | 1.5 | ||||
| 80 | 115 | 1050/1000 | 1.4 | ||||
| 100 | 135 | 1265/1200 | 1.3 | ||||
| 125 | 150 | 1510/1440 | 1.2 | ||||
| 160 | 180 | 1850/1760 | 1.1 | ||||
| 200 | 215 | 2185/2080 | 1 | ||||
| 250 | 260 | 2560/2440 | 0.9 | ||||
| 315 | 305 | 3065/2920 | 0.8 | ||||
| 400 | 370 | 3615/3440 | 0.7 | ||||
| 500 | 430 | 4330/4120 | 0.7 | ||||
| 630 | 510 | 4960 | 0.6 | 4.5 | |||
| 800 | 630 | 6000 | 0.6 | ||||
| 1000 | 745 | 8240 | 0.5 | ||||
| 1250 | 870 | 9600 | 0.4 | ||||
| 1600 | 1050 | 11600 | 0.4 | ||||
| 2000 | 1225 | 14640 | 0.4 | 5 | |||
| 2500 | 1440 | 14840 | 0.4 | ||||
表5 10kV、22系列30~2500kVA双绕组无励磁调压油浸式变压器性能参数
| 额定容量 | 电压组合Kv | 联结组标号 | 空载损耗 | 负载损耗 | 空载电流 | 短路阻抗 | |
| 高压 | 低压 | ||||||
| 30 |
6 6.3 10 10.5 11 |
0.4 0.69 |
Yyn0 Dyn11 Yzn11 |
65 | 455/430 | 1.8 | 4 |
| 50 | 80 | 655/625 | 1.6 | ||||
| 63 | 90 | 785/745 | 1.5 | ||||
| 80 | 105 | 945/900 | 1.4 | ||||
| 100 | 120 | 1140/1080 | 1.3 | ||||
| 125 | 135 | 1360/1295 | 1.2 | ||||
| 160 | 160 | 1665/1585 | 1.1 | ||||
| 200 | 190 | 1970/1870 | 1 | ||||
| 250 | 230 | 2300/2195 | 0.9 | ||||
| 315 | 270 | 2760/2630 | 0.8 | ||||
| 400 | 330 | 3250/3095 | 0.7 | ||||
| 500 | 385 | 3900/3710 | 0.7 | ||||
| 630 | 460 | 4460 | 0.6 | 4.5 | |||
| 800 | 560 | 5400 | 0.6 | ||||
| 1000 | 665 | 7415 | 0.5 | ||||
| 1250 | 780 | 8640 | 0.4 | ||||
| 1600 | 940 | 10440 | 0.4 | ||||
| 2000 | 1085 | 13180 | 0.4 | 5 | |||
| 2500 | 1280 | 13360 | 0.4 | ||||
注:对于额定容量为500kVA及以下的变压器,表中斜线上方的负载损耗值和总损耗值适用于Dyn11连接组,斜线下方的负载损耗值和总损耗值适用于Yyn0连接组;空载损耗和负载损耗实测值允许偏差+15%以内;总损耗实测值允许偏差+10%以内,短路阻抗实测值允许偏差±10%以内;空载电流实测值偏差允许+30%以内。
2、绝缘水平
表6
| 额定电压(有效值) | 设备最高电压(有效值) | 额定雷电冲击耐受电压(峰值) | 额定短时工频耐受电压(1min)(有效值) | |
| 全波 | 截波 | |||
| ≤1 | 2 | ▬ | ▬ | 5 |
| 6 | 7.2 | 60 | 65 | 25 |
| 10 | 12 | 75 | 85 | 35 |
| 20 | 24 | 125 | 140 | 55 |
| 35 | 40.5 | 200 | 220 | 85 |
五、产品结构
我公司根据中国变配电设备的使用习惯和需要,开发出品字型、目字型、L型、高压带计量等多种一体式紧凑型美式箱变结构。在配电上,低压出线可带主开关、总计量和分路计量、多回支路出线、缺相跳闸、无功自动补偿、电量自动监测及其它综合自动化等特殊功能。适用范围与欧变无异,完全代替传统土建型变电站,并且安装灵活,用电安全可靠,箱变流动性强。
还具有如下独特优点:
1.低噪环保
2.无渗漏
3.抗短路能力强
4.绝缘强度高
5.耐候性优异
品字型

目字型

L型

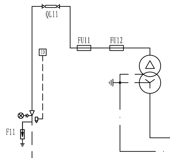
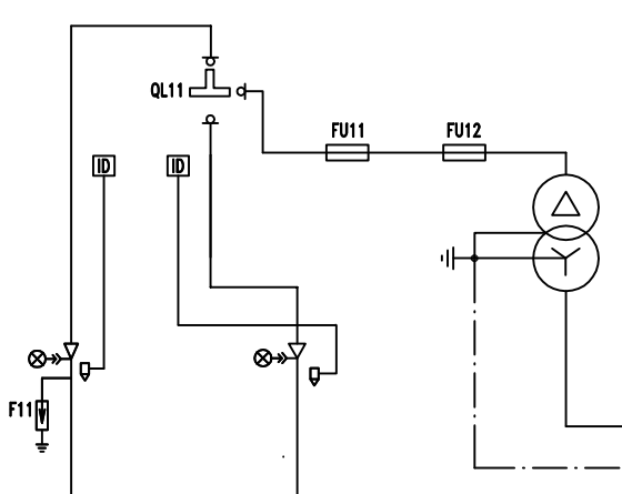
高压进线方案
| 名称 | 终端型供配电 | 环网型供配电 |
| 系统方案 | ![]() |
![]() |
下一页

